北昂流体L40系列无阀陶瓷柱塞泵采用无阀设计,通过精密陶瓷柱塞的旋转与往复运动完成吸排液,具有结构紧凑,精度高、耐腐蚀、寿命长、免维护等优点,可用于医疗,生物制药,环保,实验室等领域。
产品实拍图




产品核心优势
1、重复性精度高
L40系列无阀陶瓷柱塞泵的点精度为1%,重复性精度0.5%,可通过改变泵头角来调整吐出流量,量程范围为100μL/SHOT至300ul/SHOT,满足微量液体精密分配的需求。
2、耐腐蚀性强
触液材质为PVDF,陶瓷,PTFE,这些材料赋予了柱塞泵极强的化学惰性,能够耐受强酸、强碱、有机溶剂等腐蚀性液体。陶瓷与高分子材料的组合,不仅耐腐蚀,且溶出物极低,确保传输液体的纯度,尤其适合医疗领域。
3、安装维护便捷
外型小巧,结构轻便,水平或垂直安装均可。无需更换位置,只要改变电机的转向即可实现液体的正反向输送。且无需常规的预防性维护,大幅减少停机维护时间。
4、使用寿命长
基于精密陶瓷配合和PTFE唇形密封技术,广泛的测试表明,L40系列无阀陶瓷柱塞泵寿命可达1000万次以上。
产品性能参数
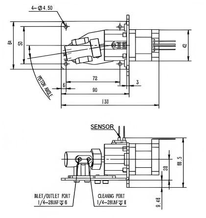
产品图纸

型号:L40-03AV-1/4U24
如您有产品需求,可申请免费试用哦,如需了解更多详情或定制您的专属流体系统方案,欢迎随时联系我们!400-006-2810
北昂流体致力于成为中国精密仪器行业的陪跑者。2004年开始提供微流体控制元件的品牌制造商。公司成立21年来,为生物制药、体外诊断、水质环保及实验室分析领域客户提供完善的流体控制系统解决方案。公司通过ISO9001、ISO13485、ISO14001、ISO45001以及GB/T 27922-2011商品售后服务评价体系认证,拥有10万级及万级洁净车间。主要产品有精密控制的泵、阀、微路塑件和定制化控制元件。产品经过市场长期使用与检验,得到了客户广泛的认可与信赖,为客户提供快速化定制产品和服务(ICPS,Instant Customization of Products & Services),保证质量的同时缩短客户产品开发周期,使中国精密仪器领域的产品领先世界。